光量是歐姆龍額定比的10倍。
使用IP67即使濺到水也能保持穩定。
堅固的壓鑄機殼。端子部形狀:端子露出型。
保護管直徑D:φ10mm。
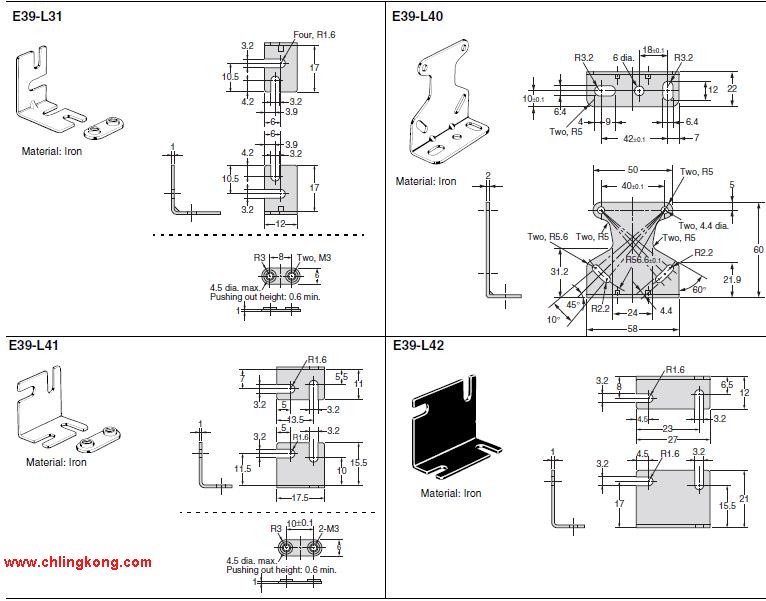
元件種類:K (CA)安裝支架。
保護管長度L:35cm。
品種豐富的高精度溫度傳感器系列。
在以往的M3螺釘對應品的基礎上,
追加有助于降低配線工時的棒狀端子對應品。
溫度傳感器是用作溫控器的熱感應部件
E39-L104
可根據要測量的溫度、場所、 周圍環境選擇安裝支架。
備有種類、形狀、 長度及端子部形狀各異的產品。控制輸出:繼電器輸出。
輔助輸出:2點。
加熱斷線、SSR故障檢測功能:--。
事件輸入:--。
通信:RS-485。
端子形狀:螺釘端子臺型(主單元+端子單元)。
電源電壓:AC100~240V。
E5□C系列的操作性、高性能維持原狀最適合連接觸摸屏/PLC和溫控器的系統的DIN導軌安裝型安裝支架。
進深85mm×寬22.5mm的DIN導軌安裝型,收納于薄型控制柜內的纖細機身。
采用端子臺拆裝結構,可輕松更換,提高了維護性。
通過50ms的高速采樣,適用于高速升溫的用途。
通過無程序通信輕松與PLC相連。
使用通信轉換電纜(另售)與計算機相連后,無需電源接線即可
設定E39-L104。也可通過CX-Thermo(另售)輕松設定。
帶輔助輸出(最大2點)、事件輸入(最大1點),基本功能齊全。
柜內啟動時或異常時的確認簡單,醒目的白色PV顯示
(PV高8.5mm)。內置連接器實現了小型、簡易的連接,
進而內置保護回路,用起來更令人放心。
內置連接器大幅度縮小了外形尺寸、占用空間而且還采用了商品通用連接器以削減配線成本E39-L104。
內置逆連接保護功能,以保護電源逆連接、輸出逆連接。
也能夠使:組裝現場的客戶放心使用。
全部機型配備了入光時ON/遮光時ON的2路輸出,
可根據使用情況僅靠配線就能夠切換輸出E39-L104。
能夠從多個方向(最多4個方向)確認指示燈,適用于所有的設置位置。
形狀:R型。
檢測方式:對射型(凹槽型)。
連接方式:連接器型(4極)。
檢測距離:紅外光5mm。
動作模式本體:直流3線式/接插件型 (M12)。
形狀:屏蔽,M30。
檢測距離:10mm。
動作模式:NO。
輸出形式:NPN。
惡劣環境下也不易損壞的接近傳感器。
全不銹鋼機架。
耐鋁碎屑。
可嵌入安裝至金屬(鐵)中。
由歐洲Ecolab公司認證的耐化學藥品性。
備有導線引出型、直流3線NPN輸出、氟樹脂涂層型。E3S-CT11檢測方式:對射型,
連接方式:導線引出型,
優越的耐水·耐油、耐沖擊性實
現長距離檢測尺寸:48×48mm。
控制輸出:繼電器輸出。
輔助輸出:1點。
電源電壓:AC/DC24V。
端子類型:插入型。
輸入類別:全量程多輸入。
使用大字體PV顯示(白色),提高可視性。
選擇、操作及設定簡便。
輸入輸出點數等的功能性能充實。
支持應用范圍更為廣泛。
采用高15.2mm的PV顯示(白色),提高可視性。
實現50ms的高速采樣。
帶輔助助輸出(最大大3點)、事件輸入(最大4點)、傳送輸出、
遠程SP輸入功能,支持各種應用程序歐姆龍E39-L104。
E5CCCC具有進深60mm的纖細機身安裝支架。
使用通信轉換電纜(另售)與計算機相連
后,無需電源接線即可設定。
也可通過CX-Thermo(另售)輕松設定。
通過無程序通信輕松與PLC相連。
通過組件通信可聯合溫控器。
E39-L104操作手冊/說明書/選型樣本下載地址:
/searchDownload.html?Search=E39-L104&select=5